corsigtronic

Sito attivo da: 6 anni 5 mesi 6 giorni

ID Annuncio: 3097528

Annuncio pubblicato: 31 lug, 2025

Annuncio visualizzato: 40 volte

Altri annunci del venditore

Contatta l'utente



Loading...

INVIA

Corso campus ad agosto di programmazione dei plc

Annuncio Arte & Antiquariato

Arte & Antiquariato Libri e manoscritti Veneto Padova


5393532 Corso campus ad agosto di
5393531 campus ad agosto
5393532 campus ad agosto
5393533 campus ad agosto
5393534 campus ad agosto
5393535 campus ad agosto

In dettaglio


Tipo di annuncio:
offro
Titolo:
Corso Campus ad Agosto di programmazione dei PLC
Descrizione
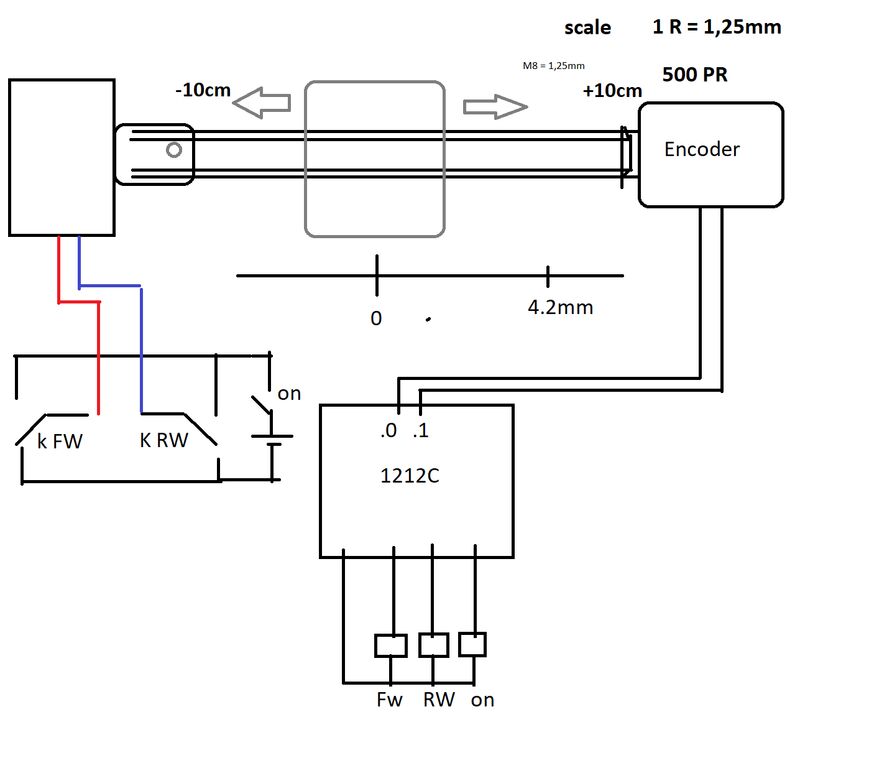
Basato su TIA PORTAL siemens V20, introduce al moderno lavoro di programmatore di PLC. Le lezioni sono ampie, pratiche e complete, il libro di teoria segnalato è un ottimo compendio. E' possibile formulare la durata aggiungendo giorni. Il prezzo indicato comprende vitto e alloggio, e servizio navetta da e per la stazione di Padova. si studieranno anche i nuovi modelli 1200 G2 appena lanciati sul mercato e le lore tecniche di motion control.
Prezzo:
€ 560
Prezzo: € 560

Fai un'offerta

[0 offerte]

Ne hai uno da vendere?
Vendine uno uguale